


法思特内六角圆柱头机螺钉弹垫组合-滚花不锈钢 M4*18
- 工业品
价格:¥0.1317价格含税(税率13%)
- 品牌名称
- FAST(法思特)
- 商品型号
- 211505
- 商品编号
- C49348514
- 商品毛重
2.367克(g)
- 材质 304不锈钢
- 规格 M4*18
广东仓0
购买数量
个
(1000个/盒,最小起订量1个,递增量:1)
总价金额:
¥0.00近期成交0单
- 商品参数
- 商品详情
商品参数
| 属性 | 参数值 |
|---|---|
| 商品目录 | 内六角圆柱头平弹垫三组合 |
| 材质 | 304不锈钢 |
| 属性 | 参数值 |
|---|---|
| 规格 | M4*18 |
| 表面处理 | 洗白 |
商品详情
产品特点 FEATURES
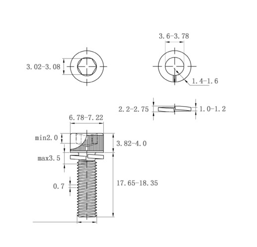
该产品为FAST(法思特)品牌生产的内六角圆柱头机螺钉弹垫组合件,型号211505,采用304不锈钢材质,具有优异的耐腐蚀性、抗拉强度和抗氧化性能,适用于高湿、盐雾或化学环境下的长期使用。螺钉规格为M4×18,头部设计为滚花处理,增强手动操作时的防滑性能,便于安装与拆卸。内六角设计提供精准扭矩控制,适合自动化装配及精密设备应用。配套弹簧垫圈可有效防止螺纹松动,提升连接稳定性。表面经过洗白处理,外观整洁,无油污残留,满足洁净环境要求。尺寸公差严格,符合国际标准,确保与各类标准孔位良好配合。整体结构紧凑,安装便捷,适用于多种工业场景。
产品介绍 INTRODUCTION
使用场景 APPLICATIONS
适用于电子设备、仪器仪表、自动化机械、医疗设备、食品加工机械等对卫生条件和耐腐蚀性要求较高的领域。
1
电子产品外壳固定:如控制面板、传感器模块等需要防锈且美观的部位。
2
机械装配连接:在轻型金属结构件中用于紧固连接,尤其适合振动环境下的部件固定。
3
食品与制药行业:因304不锈钢材质符合FDA标准,可用于接触食品或药品的设备组装。
4
户外设备安装:具备良好的抗老化和抗腐蚀能力,适合室外或海洋气候条件下的使用。
5
自动化生产线:配合电动螺丝刀或拧紧工具进行高效批量装配。
注意事项 PRECAUTIONS
1
安装前请确认螺纹孔尺寸与M4螺纹匹配,避免强行旋入导致螺纹损坏。
2
推荐使用扭矩扳手或电动工具进行紧固,建议最大拧紧扭矩不超过0.6N·m,防止螺钉头部变形或断裂。
3
不建议在高温(>300℃)环境下长期使用,以免影响材料性能。
4
虽然304不锈钢耐腐蚀性强,但在强酸、强碱或氯离子浓度高的环境中仍需注意定期检查是否有点蚀现象。
5
存放时应保持干燥通风,避免与含硫物质接触,防止产生锈斑。
6
弹簧垫圈不可重复使用,一旦压平或变形应更换新件以保证锁紧效果。
7
如需焊接或热处理,请提前咨询厂家,避免改变材料组织结构。

法思特内六角圆柱头机螺钉弹垫组合-滚花不锈钢 M4*18
价格:¥0.1317
购买数量
个
(1000个/盒,最小起订量1个,递增量:1)







