



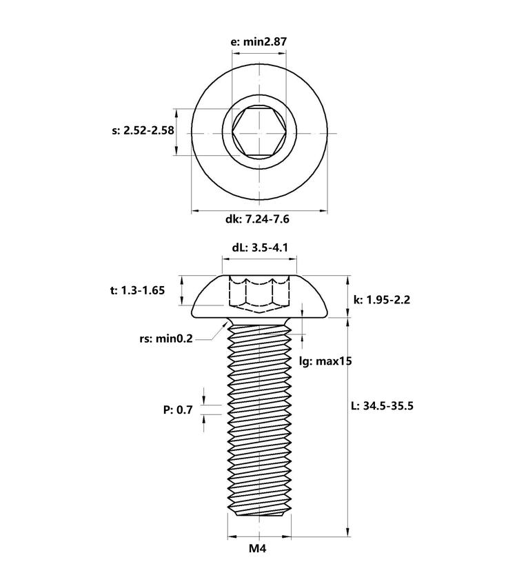
[650支/袋]GonLuo(工螺) 内六角平圆头机螺钉 ISO7380 10B21 M4*35
- SMT扩展库
- 嘉立创SMT补贴
- PCB免费打样
- 工业品
嘉立创贴片惊喜价格立即查看
价格:¥83.04价格含税(税率13%)
- 品牌名称
- GongLuo(工螺)
- 商品型号
- OEM103399
- 商品编号
- C47020585
- 商品毛重
1克(g)
广东仓0
SMT仓0
购买数量
袋
(1袋/袋,最小起订量1袋,递增量:1)
总价金额:
¥0.00近期成交0单
- 商品参数
- 商品详情
商品参数
参数完善中
商品详情


[650支/袋]GonLuo(工螺) 内六角平圆头机螺钉 ISO7380 10B21 M4*35
价格:¥83.04
购买数量
袋
(1袋/袋,最小起订量1袋,递增量:1)







