产品特点 FEATURES
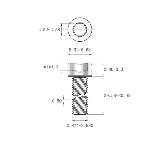
1该内六角圆柱头螺钉采用316不锈钢材质,具有优异的耐腐蚀性和高强度,适用于各种恶劣环境。
2螺钉头部设计为滚花样式,增加了摩擦力,便于工具操作,同时提高了防滑性能。
3精密的制造工艺确保了螺钉的尺寸精度和表面光洁度,符合工业标准要求。
4M3*30的规格适合多种装配需求,广泛应用于电子、机械、航空航天等领域。
5内六角设计方便使用内六角扳手进行拧紧和拆卸,操作便捷且不易损坏。
6与同类产品相比,该螺钉在耐久性和可靠性方面表现出色,能够有效延长设备使用寿命。

使用场景 APPLICATIONS
1该内六角圆柱头螺钉适用于需要高耐腐蚀性和高强度连接的场景。典型应用包括:
2电子设备组装,如电路板固定、外壳连接等。
3机械设备制造,特别是在潮湿或腐蚀性环境中的部件连接。
4航空航天领域,用于关键部位的紧固,确保结构稳定性和安全性。
5海洋工程设备,如船舶、海上平台的零部件紧固,抵抗盐雾腐蚀。
6化工行业设备安装,适应强酸强碱等苛刻工作条件。
7在这些场景中,该螺钉能有效解决传统螺钉易腐蚀、强度不足的问题,提供更可靠的连接解决方案。
注意事项 PRECAUTIONS
1安装前请检查螺钉是否有损伤或变形,确保其完好无损。
2使用合适的内六角扳手进行拧紧,避免用力过猛导致螺钉滑丝或损坏。
3在腐蚀性环境中使用时,建议定期检查螺钉状态,及时更换损坏或腐蚀严重的螺钉。
4操作时请注意个人安全,佩戴防护手套,防止划伤。
5螺钉应存放在干燥、通风的地方,避免接触腐蚀性物质。
6如发现螺钉难以拧紧,可能是螺孔受损或螺钉变形,需检查并处理相关问题。
7在高温环境下使用时,应注意螺钉的热膨胀效应,合理设计装配间隙。









