产品特点 FEATURES
1高效节能:NLS-350-12开关电源采用先进的电源转换技术,效率高达85%,有效降低能耗。
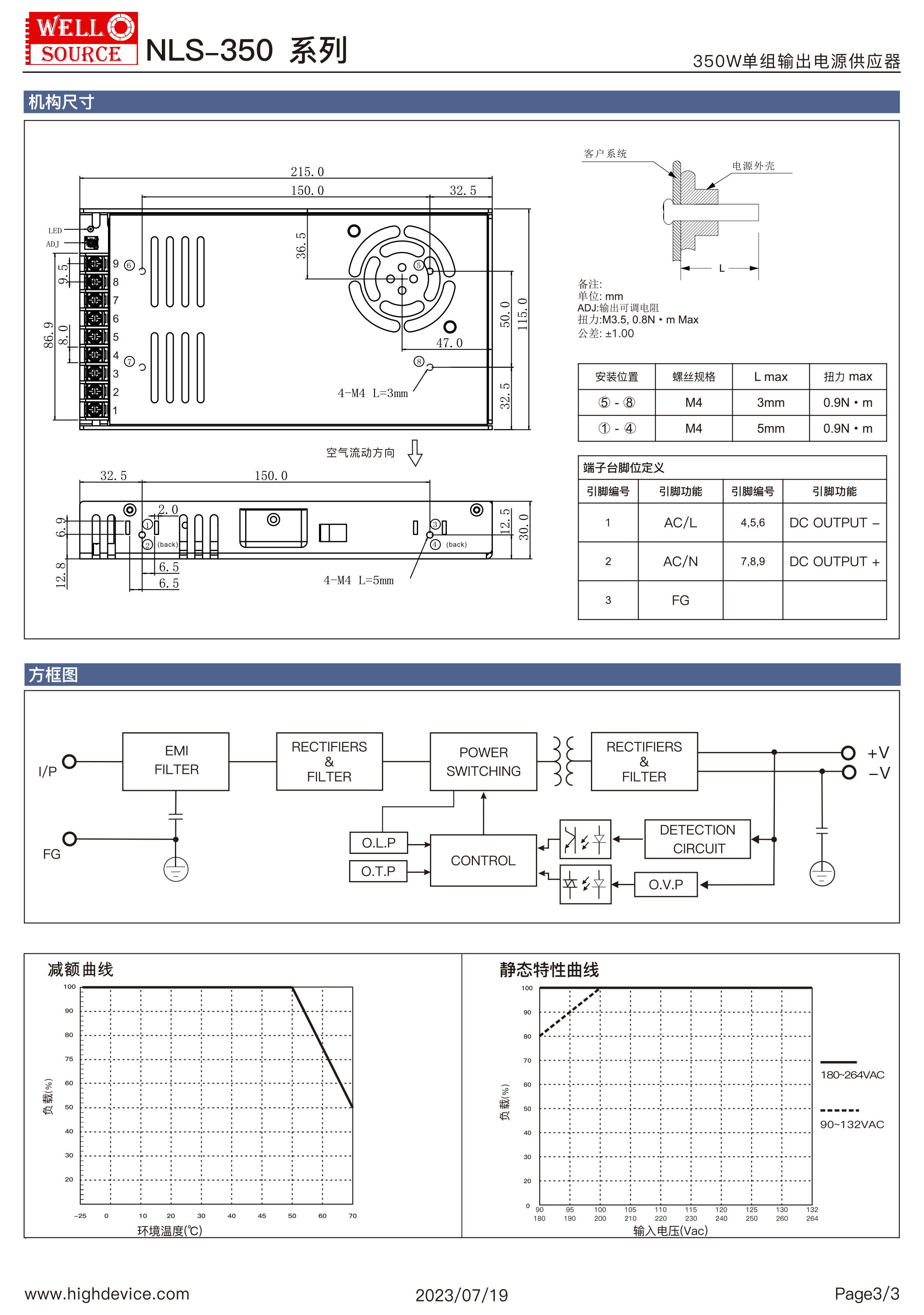
2宽范围输入:支持90~132VAC/180~264VAC的全范围交流输入,适应不同地区的电网环境。
3保护功能全面:具备短路、过载、过压和过温保护,确保设备在异常情况下安全运行。
4稳定可靠:内置温控风扇散热,强制风冷设计,保证长时间稳定工作。
5符合标准:符合IEC/EN/UL 61558-1、CQC、UL等国际安全标准,质量可靠。
6经济实用:平板机壳型设计,低高度≤1U,适合各种安装环境,经济型无PFC设计,性价比高。
7长寿命:经过100%满载老化测试,提供3年质保,使用寿命长。



使用场景 APPLICATIONS
1工业自动化:适用于各种工业控制设备,如PLC、变频器、伺服驱动器等,提供稳定的电源支持。
2通信设备:为通信基站、网络交换机、路由器等设备供电,确保通信系统的正常运行。
3医疗设备:用于医疗仪器、监护设备等,提供安全可靠的电力保障。
4交通系统:应用于轨道交通、智能交通系统中的各类电子设备,确保系统稳定。
5数据中心:为服务器、存储设备等提供高效电源,支持数据中心的连续运行。
6实验室设备:为实验室中的精密仪器供电,保证实验数据的准确性和可靠性。
7其他领域:广泛应用于安防监控、楼宇自动化、智能制造等领域,解决各种电力需求。
注意事项 PRECAUTIONS
1安装时请注意电源的通风散热,确保空气流通,避免过热影响性能。
2在连接电源前,请确认输入电压与电源规格相匹配,避免损坏设备。
3操作过程中,如遇短路、过载等情况,电源会自动保护并切断输出,此时需检查负载是否正常。
4请勿在潮湿、腐蚀性气体环境中使用,以免影响电源的使用寿命。
5清洁电源时,请先断开电源,使用干燥软布擦拭,禁止用水冲洗。
6在搬运和存储时,注意防震、防潮,避免剧烈撞击。
7如需维修,请联系专业人员,切勿自行拆解,以免造成危险。
8使用环境温度应在-20至70℃之间,湿度不超过95%RH,以确保电源正常工作。
9在高海拔地区(超过2000米)使用时,需注意工作环境温度的调整,每上升1000米温度下降5℃。
10定期检查电源连接线和插头,确保接触良好,防止松动导致的电气故障。











